- Cocina
-
Preparación
Otros
- Lavado
- Extracción
- Máquinas de churros
-
Frío Comercial
Refrigeración
-
Mobiliario
Mobiliario Acero InoxidableMobiliario de local
- Proyectos
- Blog
Lavamanos de Pie Caño Giratorio Distform
El Lavamanos de Pie con Caño Giratorio de Distform es una solución higiénica y profesional para cocinas industriales, fabricado íntegramente en acero inoxidable. Incorpora accionamiento mediante pulsadores de pie, que permite el uso sin contacto manual, y grifo con caño giratorio para mayor comodidad. Disponible en versiones con uno o dos pulsadores para agua fría y caliente, con opción de dispensador de jabón, es ideal para cumplir las normativas sanitarias en hostelería y restauración.
El Lavamanos de Pie con Caño Giratorio de Distform está fabricado íntegramente en acero inoxidable, garantizando resistencia, higiene y durabilidad en entornos profesionales.
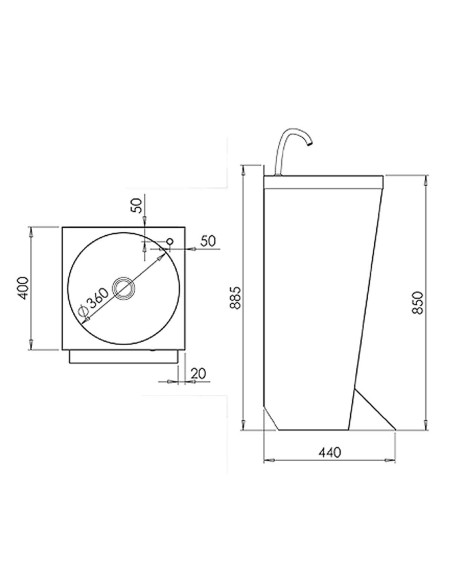
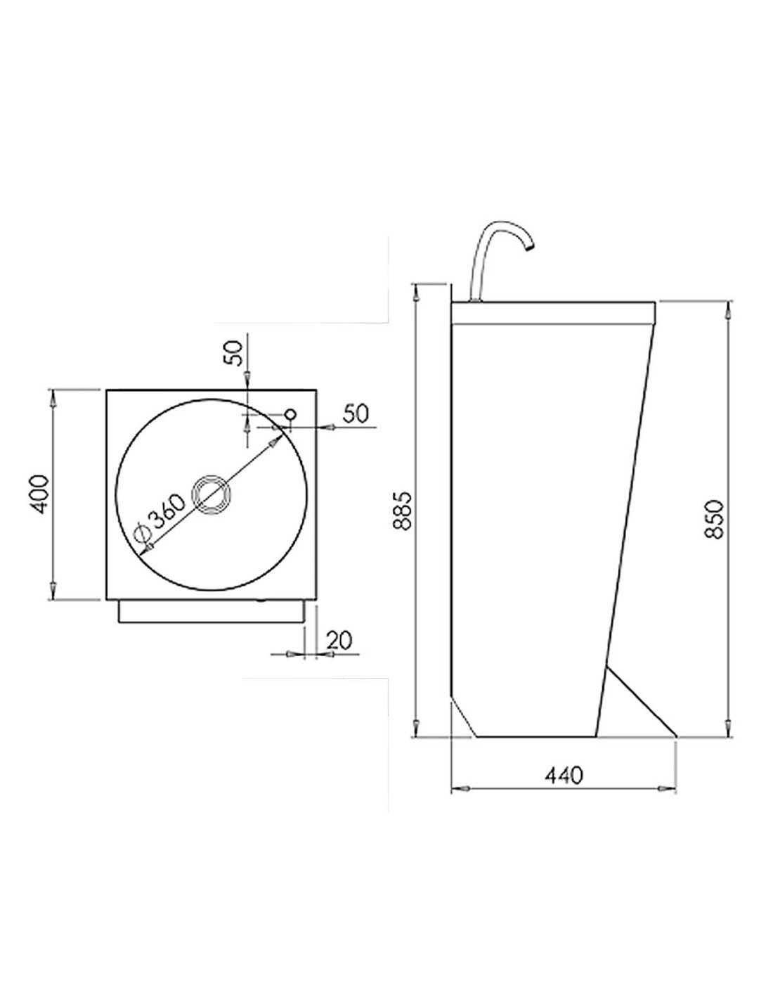
Este lavamanos incorpora grifo con caño giratorio y sistema de accionamiento mediante pulsadores de pie, permitiendo un uso higiénico sin contacto manual. Dispone de dos pulsadores independientes, uno para agua fría y otro para agua caliente, y presenta un fondo de 44 cm, ideal para zonas de trabajo con espacio reducido.
Características principales
-
Construcción completa en acero inoxidable.
-
Grifo con caño giratorio incluido.
-
Accionamiento tipo push mediante pulsadores de pie.
-
Modelo con dos pulsadores: agua fría y agua caliente.
-
Se suministra totalmente equipado y listo para su instalación.
-
Instalación de pie, estable y funcional.
Especificaciones técnicas
-
Tipo de accionamiento: Pulsador de pie (push).
-
Instalación: De pie.
-
Dimensiones exteriores: 40 × 44 × 85 cm.
-
Dimensiones de la cubeta: 36 × 13 cm.
-
Grifo con caño giratorio incluido.
Modelos disponibles
-
Caño giratorio con 1 pulsador.
-
Caño giratorio con 1 pulsador + dispensador de jabón.
-
Caño giratorio con 2 pulsadores.
-
Caño giratorio con 2 pulsadores + dispensador de jabón.
DISTFORM se especializa en ofrecer maquinaria para la preparación, conservación y presentación de alimentos. Su enfoque está en mejorar la eficiencia operativa en restaurantes y otros establecimientos de hostelería.